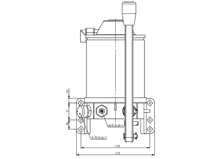
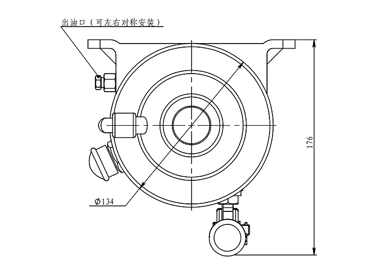
產品名稱: SL-H30P型手動油脂泵
適用范圍: 針對溫度變化劇烈極端惡劣的使用環境 及特殊機型設計
產品特點:
性價比高
安裝簡單、操作便捷
維護成本低
0
產品名稱: SL-H30P型手動油脂泵
適用范圍: 針對溫度變化劇烈極端惡劣的使用環境 及特殊機型設計
產品特點:
性價比高
安裝簡單、操作便捷
維護成本低
KFD型集中潤滑系統是專門為低底盤、 安裝空間高要求的車輛設計研發的集 中潤滑系統。安裝方便,性能穩定, 滿足高級別車輛的需求,曾獲北京奧 運會低地板客車最佳設計方案。
查看詳情